logo eiffelmetallerie
  • Rideau Métallique
    • Dépannage
    • Réparation
    • Entretien
    • Installation
    • Motorisation
  • Portes Sectionnelles
    • Dépannage
    • Réparation
    • Entretien
    • Installation
    • Motorisation
  • Porte de Garage
  • Tarifs
  • Blog
  • Contact
logo eiffelmetallerie
01 84 60 04 02

Eiffel Metallerie

Blog​ et Actualité

Grincement du Rideau métallique : que faire ?

Grincement du Rideau métallique : que faire ?

octobre 19, 2023
Quel est le prix d’une porte industrielle ?

Quel est le prix d’une porte industrielle ?

octobre 18, 2023
Renforcer la sécurité d’un rideau métallique ?

Renforcer la sécurité d’un rideau métallique ?

octobre 17, 2023
Notre guide pour le branchement monophasé de rideaux métalliques

Notre guide pour le branchement monophasé de rideaux métalliques

octobre 11, 2023
De quoi se compose le rideau à tubes ondulés ?

De quoi se compose le rideau à tubes ondulés ?

octobre 10, 2023
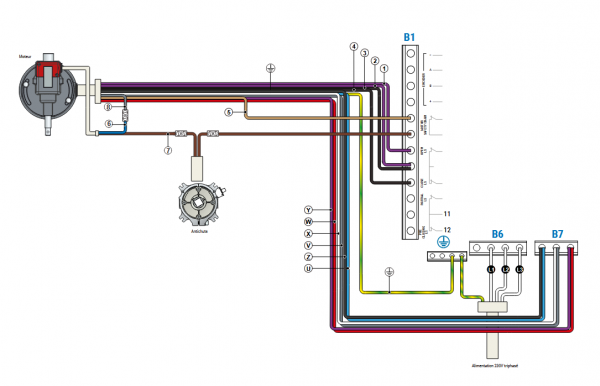
Câblage triphasé d’un rideau métallique, c’est quoi ?

Câblage triphasé d’un rideau métallique, c’est quoi ?

octobre 9, 2023
Comment choisir le moteur d’un rideau métallique ?

Comment choisir le moteur d’un rideau métallique ?

octobre 2, 2023
Réparer un rideau métallique suite à un cambriolage

Réparer un rideau métallique suite à un cambriolage

septembre 29, 2023
Tout savoir sur la grille métallique dentel

Tout savoir sur la grille métallique dentel

septembre 28, 2023
Guide pour entretenir une porte sectionnelle

Guide pour entretenir une porte sectionnelle

septembre 19, 2023
Fonctionnement du volet roulant

Fonctionnement du volet roulant

septembre 12, 2023
Changer la tulipe d’un volet roulant ?

Changer la tulipe d’un volet roulant ?

juin 7, 2023
  • 1
  • 2
  • 3
  • 4
  • 5
  • 6
  • ...
  • 8
logo eiffelmetallerie
L’expert N°1 dans l’installation et le dépannage de rideau métallique et de porte sectionnelle industrielle.
Accès rapide
  • Rideaux Métalliques
  • Portes sectionnelles
  • Portes de garage
  • Volets Roulants
  • Tarifs
  • Contact
Liens Utiles
  • Témoignages
  • Nos Réalisations
  • Blog
  • Nos agences
  • Recrutement
Contactez-nous
  • 01 84 60 04 02
  • 06 52 13 01 04
  • contact@eiffelmetallerie.fr
  • 72 Rue Pouchet, 75017 Paris, France
Icon-google-review Facebook Youtube Linkedin Pinterest
© COPYRIGHT Eiffel Métallerie

Mentions légales | Politique de confidentialité | Plan du site